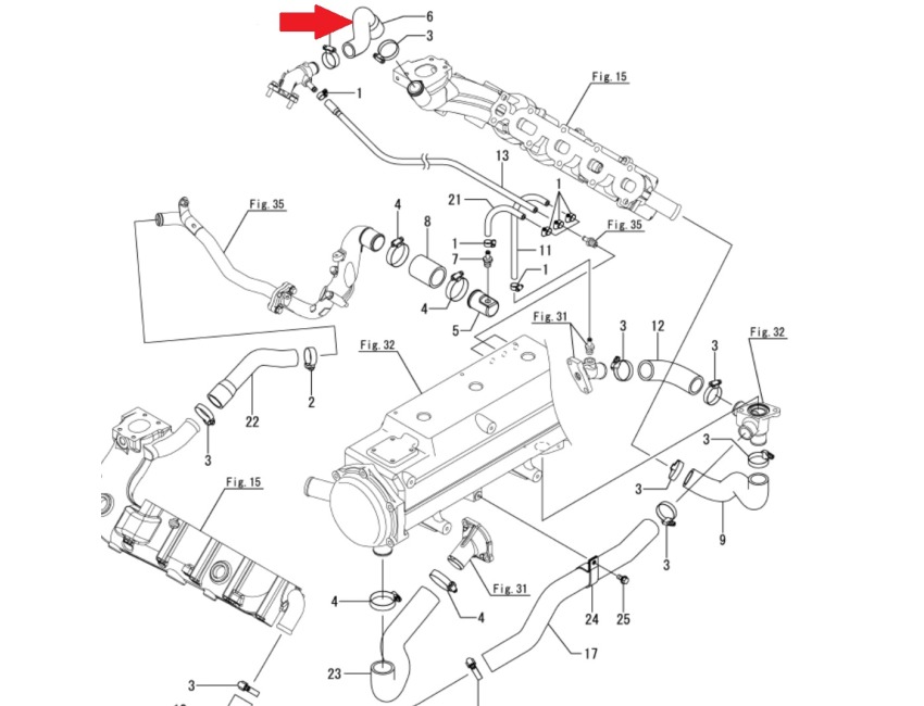
Yanmar - Hose. Exh-Mani Lh In - 119798-49110
Code: x
MPN: 119798-49110
Delivery Information
Currently we only deliver to the UK (inc. Northern Ireland), Channel Islands, Norway, Australia, New Zealand, Canada and USA for online ordering - please contact us on sales@bottomlinemarine.com if you live elsewhere.
Free shipping on UK orders over £75 (£5.95 for UK orders under £75)
Excludes certain heavy items
All prices include UK VAT - No customs or duty fees for UK orders
Description
Yanmar - Hose. Exh-Mani Lh In - 119798-49110
Part No: 119798-49110
Superseded from:
Fits the following:
Please contact us with your model and serial number if unsure
Specification List
| Type | Parts |
|---|


